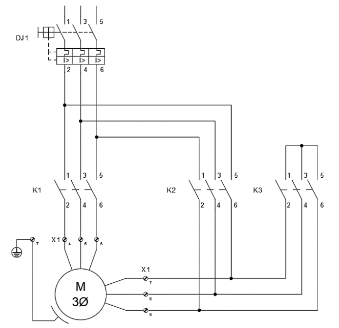
Considere o diagrama de comando a seguir, que corresponde a parte
de potência da partida estrela-triângulo de uma bomba de 7,5 HP, sem relé
térmico:
Sabendo que a motor-bomba M possui corrente nominal In = 21,8 A, assinale a alternativa que indica a corrente de operação aproximada nos contatores K1, K2 e K3, sabendo que o equipamento possui fator de serviço FS = 1,25.
Sabendo que a motor-bomba M possui corrente nominal In = 21,8 A, assinale a alternativa que indica a corrente de operação aproximada nos contatores K1, K2 e K3, sabendo que o equipamento possui fator de serviço FS = 1,25.