Magna Concursos
3235798 Ano: 2015
Disciplina: Eletroeletrônica
Banca: UFPR
Orgão: Itaipu
Provas:

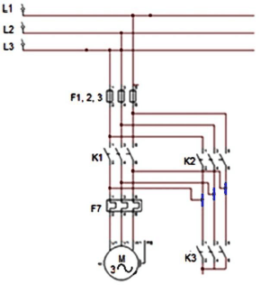
Enunciado 3576046-1

Analisando o diagrama de potência acima, assinale a alternativa que apresenta o sistema de partida do motor adotado.

 

Provas

Questão presente nas seguintes provas

Técnico de Eletromecânica

50 Questões