Magna Concursos
Questões
Planos
Entrar
Entrar
Criar Conta
Respondida
1233204
Ano:
2016
Disciplina:
Eletroeletrônica
Banca:
AOCP
Orgão:
CASAN-SC
Provas:
Eletrotécnico
Provas
×
Eletrotécnica
Instalações Elétricas em Eletricidade
Eletrotécnica
Proteção e Aterramento
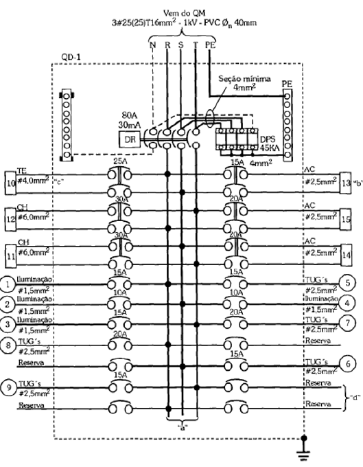
Da figura a seguir, a qual ilustra o esquema multifilar do quadro de distribuição de uma instalação elétrica, é correto afirmar que
A
no circuito de distribuição temos que os condutores de neutro e de proteção possuem a mesma área de seção transversal.
B
o condutor de neutro está conectado diretamente ao barramento de equipotencialização principal – BEP.
C
o DR é do tipo bipolar.
D
o circuito 15 é bifásico, estando ligado às fases R e T.
E
todos os condutores dos circuitos de iluminação possuem área de seção transversal de 2,5 mm
2
.
Resolver
Comentários
0
×
Cadernos
×
Flashcards
×
Estatísticas
×
Reportar um erro
×
Provas
Questão presente nas seguintes provas
Eletrotécnico
50 Questões
Resolver Prova
Publicar
Responder
Qual o problema da questão?
Selecione uma opção
Questão Desatualizada
Questão Repetida
Gabarito Errado
Outros Motivos
Mensagem
Enviar
Acessar
Criar Conta
Acesse sua Conta
Google
Facebook
Esqueci minha senha
Acessar
Ainda não tem conta?
Crie uma
!
Crie uma Conta
Criar Conta
Olá, para continuar, precisamos criar uma conta!
É
rápido
e
grátis
.
Google
Facebook
Concordo com os
Termos de Uso
Criar
Já tem uma conta?
Acesse aqui