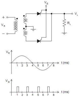
Nas figuras é apresentado o circuito de um retificador controlado a tiristor (SCR), juntamente com os gráficos das formas de onda das tensões VR e VG, mostrando a evolução no tempo dessas tensões.

Assim, o gráfico que representa corretamente um esboço da forma de onda da tensão VL sobre o resistor de carga RL em função do tempo é:

Assim, o gráfico que representa corretamente um esboço da forma de onda da tensão VL sobre o resistor de carga RL em função do tempo é: