- EletrotécnicaCircuitos Elétricos em Eletricidade
- EletrotécnicaCircuitos de Corrente Contínua e de Corrente Alternada
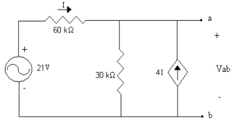
Dado o circuito, determine a corrente de Norton e a Impedância de Norton, vista nos pontos “a” e “b”, respectivamente.

Dado o circuito, determine a corrente de Norton e a Impedância de Norton, vista nos pontos “a” e “b”, respectivamente.
