Magna Concursos

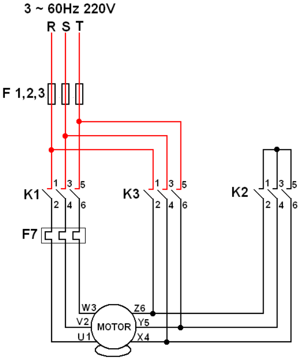
O seguinte diagrama de partida é apresentado no painel de um motor:


Enunciado 3123457-1


De acordo com o diagrama, é correto afirmar que

 

Provas

Questão presente nas seguintes provas

Técnico de Laboratório - Eletroeletrônica

49 Questões

Técnico de Labotório - Eletromecânica

50 Questões