Magna Concursos
881804 Ano: 2019
Disciplina: Eletroeletrônica
Banca: UFMG
Orgão: UFMG

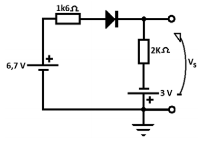
Analise o circuito considerando a tensão direta do diodo em 0,7V.

enunciado 881804-1

O valor da tensão de saída Vs é igual a:

 

Provas

Questão presente nas seguintes provas

Técnico em Eletroeletrônica

45 Questões