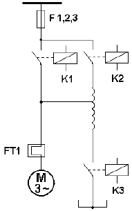
A figura abaixo representa um circuito de força de uma chave de partida de motores de indução trifásicos.

Essa chave denomina-se
A figura abaixo representa um circuito de força de uma chave de partida de motores de indução trifásicos.

Essa chave denomina-se