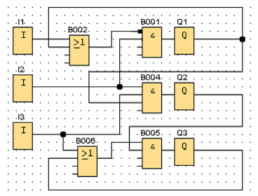
A linguagem gráfica Ladder é a mais difundida e encontrada em quase todos os CLPs. Ela se baseia na lógica de relés e contatos elétricos para comandar controladores lógicos programáveis (CLP). Um exemplo desta programação pode ser visto na Figura 02, abaixo.

Paralelamente, uma outra linguagem, chamada FBD, cujos elementos são expressos por blocos interligados, é também bastante difundida. Sabendo que a lógica Ladder pode ser representada pela lógica FBD, assinale a alternativa que corresponde à representação CORRETA da Figura 02.