
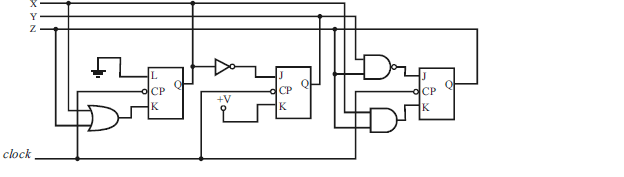
Acerca das saídas X, Y e Z do circuito lógico representado na figura acima, é correto afirmar que, se o estado presente dos flip-flops for

Acerca das saídas X, Y e Z do circuito lógico representado na figura acima, é correto afirmar que, se o estado presente dos flip-flops for