Magna Concursos
3193884 Ano: 2023
Disciplina: Engenharia Elétrica
Banca: SELECON
Orgão: SAAE Lucas do Rio Verde-MT
Provas:

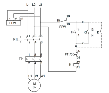
Houve necessidade de intervenção em um dos circuitos elétricos de uma estação de tratamento de água e, chegando ao local, o técnico se deparou com a figura a seguir:

Enunciado 3459435-1

Essa figura representa o diagrama de uma partida:

 

Provas

Questão presente nas seguintes provas

Técnico de Eletromecânica

35 Questões