- EletrotécnicaCircuitos Elétricos em Eletricidade
- EletrotécnicaCircuitos de Corrente Contínua e de Corrente Alternada
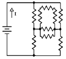
A figura a seguir apresenta um circuito composto por uma fonte de
tensão com ddp U e nove resistores com resistências iguais a R.

A corrente elétrica total I é dada pela expressão

A corrente elétrica total I é dada pela expressão