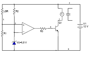
O LDR é um resistor que diminui sua resistência quando sobre ele incide luz. Sua resistência varia entre 1,0kΩ, quando iluminado, e 1,0MΩ no escuro. Em caldeiras existe um dispositivo que corta automaticamente, usandose um LDR e uma válvula solenóide, a alimentação de óleo quando há extinção da chama. Um dispositivo desse tipo é mostrado no circuito abaixo. Analise o circuito onde R1=R2=R3=10kΩ e K é o relé que irá acionar a válvula solenóide.

Provas
Questão presente nas seguintes provas