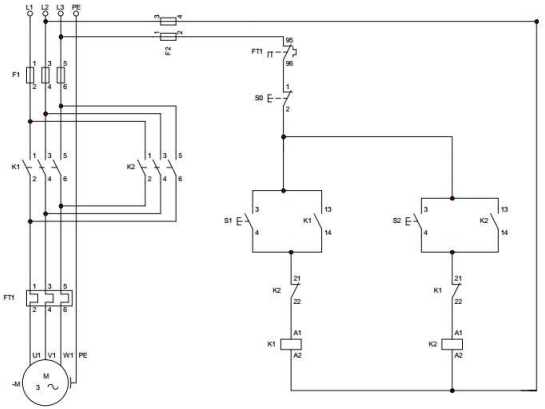
A figura abaixo mostra o comando elétrico de uma chave partida.

Sobre o circuito acima, podemos afirmar:
I. O circuito se trata de uma chave de partida direta com reversão.
II. O elemento FT1 é o dispositivo de proteção contra a corrente de curto-circuito.
III. Os terminais 21 e 22 dos contatores K1 e K2 tem a função de realizar o selo.
A(s) afirmativa(s) correta(s) é (são):
Provas
Questão presente nas seguintes provas