1525565
Ano: 2003
Disciplina: Eletroeletrônica
Banca: CESPE / CEBRASPE
Orgão: SAAE Alagoinhas-BA
Disciplina: Eletroeletrônica
Banca: CESPE / CEBRASPE
Orgão: SAAE Alagoinhas-BA
Provas:

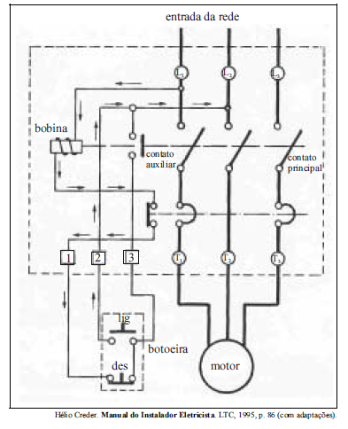
A figura acima mostra os circuitos de força e de controle de um motor de indução trifásico, o qual apresenta tensão nominal de linha igual à tensão nominal de linha da rede de alimentação. Todos os condutores da rede de alimentação são mostrados. Com base na figura acima, julgue os itens seguintes.
Em caso de falta de energia, a chave magnética desarma e é religada automaticamente quando a energia é restabelecida.