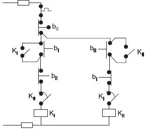
Observe o circuito de comando de uma chave reversora automática para um motor de indução trifásico.

Para que o correto funcionamento ocorra, é necessário que cada contato atue exclusivamente em sua única função, ou seja, tenha uma só função e não realize a função de outro contato.
Qual o par de contatos que está atuando com dupla função?