Com relação aos serviços de radiodifusão, julgue o item que se segue.
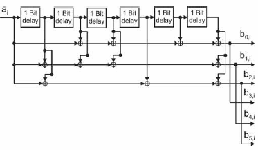
Considere que a figura abaixo represente um dos codificadores do padrão DRM (digital radio mondiale). Nesse sentido, é correto afirmar que essa figura refere-se a um codificador convolucional com taxa igual a 1/6. O polinômio gerador correspondente à saída bo,i é descrito, na base octal, por 137.

Provas
Questão presente nas seguintes provas
Atividades Técnicas de Suporte - Engenharia (REPR)
120 Questões
Atividades Técnicas de Suporte - Engenharia (SAE)
120 Questões