Magna Concursos
Questões
Planos
Entrar
Entrar
Criar Conta
Respondida
415915
Ano:
2012
Disciplina:
Eletroeletrônica
Banca:
CESGRANRIO
Orgão:
Innova
Provas:
Técnico de Manutenção - Elétrica
Provas
×
Eletrotécnica
Motores
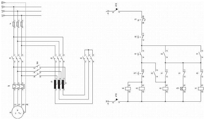
Os diagramas trifilar e de comando, apresentados acima, correspondem a motores elétricos de indução com rotor em gaiola e ao método de partida
A
dahlander
B
soft-starter
C
compensadora com autotransformador
D
estrela-triângulo por frenagem
E
indutor ponte com inversão de sentido de rotação
Resolver
Comentários
0
×
Cadernos
×
Flashcards
×
Estatísticas
×
Reportar um erro
×
Provas
Questão presente nas seguintes provas
Técnico de Manutenção - Elétrica
50 Questões
Resolver Prova
Publicar
Responder
Qual o problema da questão?
Selecione uma opção
Questão Desatualizada
Questão Repetida
Gabarito Errado
Outros Motivos
Mensagem
Enviar
Acessar
Criar Conta
Acesse sua Conta
Google
Facebook
Esqueci minha senha
Acessar
Ainda não tem conta?
Crie uma
!
Crie uma Conta
Criar Conta
Olá, para continuar, precisamos criar uma conta!
É
rápido
e
grátis
.
Google
Facebook
Concordo com os
Termos de Uso
Criar
Já tem uma conta?
Acesse aqui