A figura a seguir mostra um esquema de acionamento de um motor elétrico.

Analisando a figura, o que representam os dispositivos I, II e III?
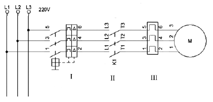
A figura a seguir mostra um esquema de acionamento de um motor elétrico.

Analisando a figura, o que representam os dispositivos I, II e III?