A fim de realizar a operação de processamento de um sinal elétrico (Vin) de baixa amplitude na
saída de um aparelho eletrônico, o responsável pela manutenção fez uso de um osciloscópio de
modo a visualizar o referido sinal. Antes das análises, ele garantiu o devido ajuste de atenuação
das pontas de prova sob uso (x1), adequação do nível de trigger e ganho DC nulo. O perfil do
sinal Vin é descrito a seguir, sendo visualizado no canal 1 (CH1). As respectivas configurações de
amplitude (milivolts/DIV ou volts/DIV) e tempo (time/DIV) do aparelho são apresentadas. Note
que o sinal apresenta período de 20 ms, valor mínimo 100 mV (Vin_min) e valor máximo 200 mV
(Vin_máx). Na tela do osciloscópio, o sinal ocupa duas divisões verticais entre o mínimo (Vin_min) e
o máximo valor (Vin_máx). 
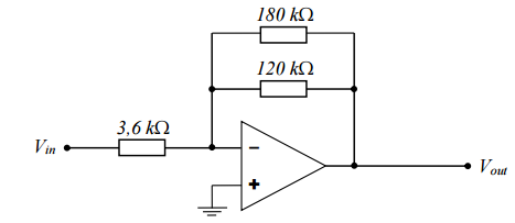
Em seguida, o profissional decidiu fazer uso de um circuito com amplificador operacional, tendo como entrada o sinal Vin. Em protoboard conseguiu construir a topologia a seguir.
Admita que seja desejado visualizar a tensão de saída (Vout) no mesmo osciloscópio. Para isso, o responsável admitiu a configuração (Volts/DIV) indicada no canal 2 (CH2). Neste caso, assinale a alternativa que indica o número CORRETO de divisões verticais ocupadas na tela do osciloscópio entre o valor mínimo e o valor máximo do sinal de tensão Vout.

Em seguida, o profissional decidiu fazer uso de um circuito com amplificador operacional, tendo como entrada o sinal Vin. Em protoboard conseguiu construir a topologia a seguir.

Admita que seja desejado visualizar a tensão de saída (Vout) no mesmo osciloscópio. Para isso, o responsável admitiu a configuração (Volts/DIV) indicada no canal 2 (CH2). Neste caso, assinale a alternativa que indica o número CORRETO de divisões verticais ocupadas na tela do osciloscópio entre o valor mínimo e o valor máximo do sinal de tensão Vout.