- EletrotécnicaCircuitos Elétricos em Eletricidade
- EletrotécnicaInstrumentos e Medições elétricas
- EletrotécnicaCircuitos de Corrente Contínua e de Corrente Alternada
- Instrumentos de medição
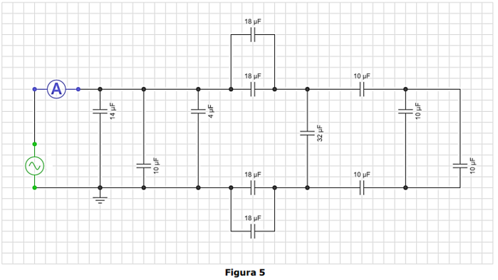
Determine a leitura do amperímetro no circuito (valor de Pico) da Figura 5 abaixo.
Considere ω = 1000 rad/s e tensão de pico da fonte: 12,5 V.
Expressões úteis: Reatância Capacitiva: Xc =
1/ωC
e Reatância Indutiva: XL = ωL.

