- EletrotécnicaCircuitos Elétricos em Eletricidade
- EletrotécnicaCircuitos de Corrente Contínua e de Corrente Alternada
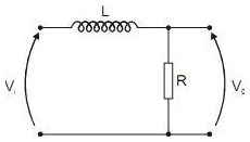
Analise o circuito abaixo:

Trata-se de um

Trata-se de um
Provas
Questão presente nas seguintes provas