Em relação a normas e técnicas aplicáveis ao desenho técnico de circuitos elétricos e eletrônicos, julgue o item subsecutivo.
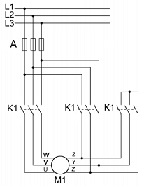
A figura seguinte apresenta um diagrama de comando para acionamento de um motor, sendo os componentes identificados pela letra A correspondentes a disjuntores utilizados para proteger cada fase.

A figura seguinte apresenta um diagrama de comando para acionamento de um motor, sendo os componentes identificados pela letra A correspondentes a disjuntores utilizados para proteger cada fase.
