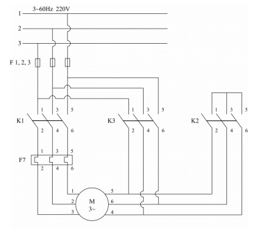
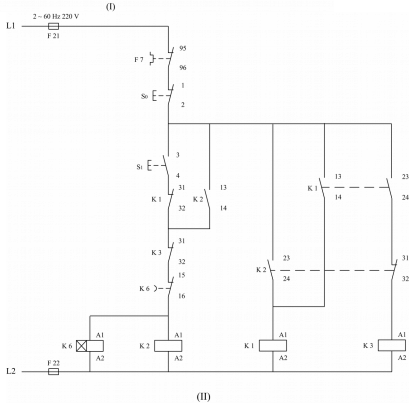
Analise os diagramas das figuras, a seguir, para responder à questão. As figuras (I) e (II) representam, respectivamente, os diagramas de potência e de comando de uma chave de partida estrela-triângulo para motor de indução trifásico


No diagrama de comando da figura (II), a bobina do contator K3 está permanentemente aberta devido a um defeito que interrompe a passagem de corrente. O que ocorrerá durante a partida do motor na presença deste defeito?