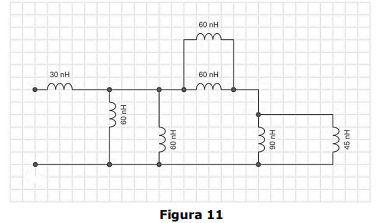
Analise a Figura 11 abaixo, que apresenta um circuito de associação de indutores:

Considerando as informações apresentadas, assinale a alternativa que indica o indutor equivalente.
Analise a Figura 11 abaixo, que apresenta um circuito de associação de indutores:

Considerando as informações apresentadas, assinale a alternativa que indica o indutor equivalente.