Magna Concursos
680840 Ano: 2015
Disciplina: Eletroeletrônica
Banca: UFES
Orgão: UFES
Provas:
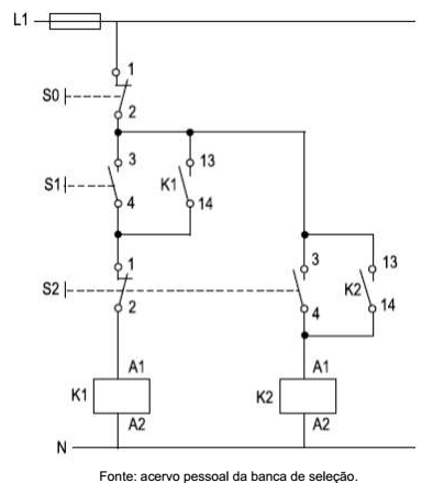
A figura abaixo apresenta o diagrama de comando de dois motores que são acionados pelas chaves contatoras K1 (Motor 1) e K2 (Motor 2).

enunciado 680840-1
Analisando-se o diagrama, é CORRETO afirmar:
 

Provas

Questão presente nas seguintes provas

Técnico de Eletromecânica

60 Questões