Magna Concursos
1907046 Ano: 2018
Disciplina: Eletroeletrônica
Banca: FUNDEP
Orgão: HRTN-MG

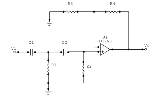
Analise o circuito a seguir que apresenta um filtro ativo.

Enunciado 1907046-1

Em relação a esse circuito, assinale a alternativa incorreta.

 

Provas

Questão presente nas seguintes provas

Técnico de Manutenção - Eletrônica

35 Questões