
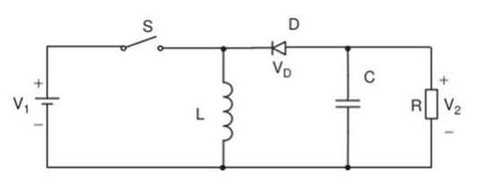
Em relação ao circuito apresentado na figura, assinale a alternativa que indica, respectivamente, o tipo da topologia de conversor DC-DC e o valor de V2 para V1 = 1 V e o ciclo de condução k = 0,6.

Em relação ao circuito apresentado na figura, assinale a alternativa que indica, respectivamente, o tipo da topologia de conversor DC-DC e o valor de V2 para V1 = 1 V e o ciclo de condução k = 0,6.