
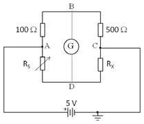
O circuito ilustrado na figura acima corresponde a uma
ponte de Wheatstone, utilizada em uma experiência de eletricidade
para determinação da resistência desconhecida
Entre os pontosA e D, é ligado um potenciômetro, cuja resistência variável é

Um galvanômetro é conectado entre os pontos B e D do circuito
para monitoramento da ponte.
Com base nessas informações, julgue os itens que se seguem.
a corrente que circula pelo galvanômetro será nula, e a resistência desconhecida terá valor igual a 2