Magna Concursos
396281 Ano: 2006
Disciplina: Engenharia de Telecomunicações
Banca: CESGRANRIO
Orgão: Petrobrás

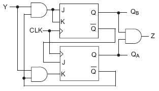
Enunciado 396281-1

No circuito acima, o próximo estado QBQA a partir do estado QBQA = 10, com Y = 1, é:

 

Provas

Questão presente nas seguintes provas

Auxiliar Técnico - Telecomunicações

50 Questões