Magna Concursos
2991445 Ano: 2023
Disciplina: Eletroeletrônica
Banca: Instituto Access
Orgão: UFJ
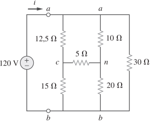
O valor da resistência equivalente Rab vista pela fonte de 120 V entre os polos a e b indicado no circuito apresentado a seguir é
Enunciado 2991445-1
 

Provas

Questão presente nas seguintes provas

Técnico de Laboratório - Eletrotécnica

55 Questões