Magna Concursos
2908888 Ano: 2022
Disciplina: Eletroeletrônica
Banca: VUNESP
Orgão: Pref. Guaratinguetá-SP
Provas:

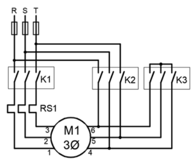
O diagrama mostrado na figura a seguir representa o circuito de força de uma chave de partida

Enunciado 3194155-1

 

Provas

Questão presente nas seguintes provas

Eletricista

50 Questões