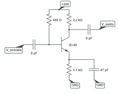
Em alguns circuitos que fazem a utilização
de transistores, o nível de aumento da saída AC
depende da transferência de energia das fontes DC
aplicadas. O circuito a seguir é um circuito típico
transistorizado de polarização estável do emissor.
Fonte: IFSP , 2025.
Com base no circuito mostrado acima, podemos afirmar que o valor aproximado da corrente de saturação é:
Fonte: IFSP , 2025.
Com base no circuito mostrado acima, podemos afirmar que o valor aproximado da corrente de saturação é:
Provas
Questão presente nas seguintes provas
Técnico de Laboratório - Automação Industrial
50 Questões