Magna Concursos
1017706 Ano: 2017
Disciplina: Eletroeletrônica
Banca: UFPR
Orgão: Itaipu
Provas:

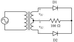
O circuito a seguir é um retificador que utiliza transformador com tomada central. Desprezando a queda de tensão nos diodos e sendo as tensões v s1 e v s2 iguais a 220 V, assinale a alternativa que apresenta, respectivamente, a tensão média sobre a carga, a potência na carga e a tensão reversa máxima sobre o diodo D1.


enunciado 1017706-1

 

Provas

Questão presente nas seguintes provas

Técnico de Eletrônica

60 Questões