
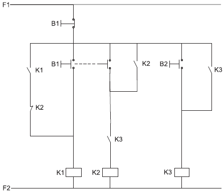
O circuito da figura acima ilustra o comando de três contatoras (K1, K2 e K3), através de três botões de impulso (B0, B1 e B2). A ordem de acionamento dos botões deve ser tal que, primeiramente, seja energizada a contatora K1, mantendo as demais desenergizadas; depois, a contatora K3 deve ser energizada, mantendo a contatora K1 energizada e a contatora K2 desenergizada, por fim, a contatora K2 deve ser energizada, e a contatora K1 deve ser desenergizada, mantendo a contatora K3 energizada.
Qual deve ser a sequência de acionamento dos botões de impulso para que seja obtida a ordem de energização descrita?

Provas
Questão presente nas seguintes provas