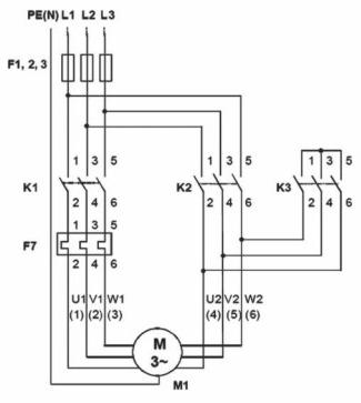
Para responder às questões 48 e 49, considere o circuito de potência abaixo.

Nesse circuito, o motor elétrico trifásico M1 será submetido ao tipo de acionamento
Para responder às questões 48 e 49, considere o circuito de potência abaixo.

Nesse circuito, o motor elétrico trifásico M1 será submetido ao tipo de acionamento