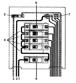
A figura ilustra um quadro de distribuição de circuitos; analise-a:

Em relação ao quadro anterior, relacione adequadamente os números às colunas a seguir.
( ) Proteção (aterramento).
( ) Barramento de neutro.
( ) Jumps de ligação da fase dos disjuntores.
( ) Barramento de proteção (aterramento).
( ) Neutro.
( ) Disjuntores dos circuitos terminais.
( ) Fase.
( ) Disjuntor geral.
A sequência está correta em
Provas
Questão presente nas seguintes provas