1010935
Ano: 2014
Disciplina: Engenharia de Telecomunicações
Banca: UFT
Orgão: Pref. Palmas-TO
Disciplina: Engenharia de Telecomunicações
Banca: UFT
Orgão: Pref. Palmas-TO
Provas:
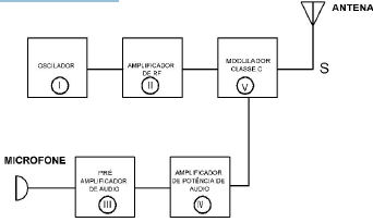
Na figura a seguir tem-se o diagrama de blocos de um transmissor AM-DSB.

Analise as afirmativas em relação à função dos estágios da figura.
I. Oscilador: gera a portadora.
II. Amplificador de RF: amplifica em potência a portadora até o nível suficiente para excitar o estágio modulador.
III. Pré-amplificador de áudio: amplifica em potência o sinal de audio (modulante).
IV. Amplificador de potência de audio: amplifica o sinal proveniente de microfone ou qualquer outra fonte de audio.
V. Modulador classe C: excitado pelo sinal de audio e pela portadora produz o sinal AM-DSB.
Marque as alternativas CORRETAS.