Magna Concursos
716533 Ano: 2017
Disciplina: Administração Geral
Banca: UFG
Orgão: Câm. Anápolis-GO
Provas:
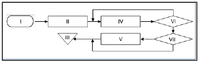
O fluxograma é uma representação gráfica que utiliza símbolos para descrever passo a passo a natureza e o fluxo de atividades e informações de um processo. No fluxograma, a seguir, considerando que o processo necessariamente será concluído, qual é o número de vezes e qual é a natureza das atividades que serão executadas em cada etapa?
enunciado 716533-1
 

Provas

Questão presente nas seguintes provas

Assistente Administrativo

40 Questões