
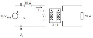
Considerando que, no circuito ilustrado no diagrama acima, o
gerador seja senoidal e a razão de espiras do primário para o
secundário do transformador seja de 2:1, e assumindo que o
transformador seja ideal, julgue os próximos itens.
vista à esquerda dos pontos a e b, possui magnitude de 