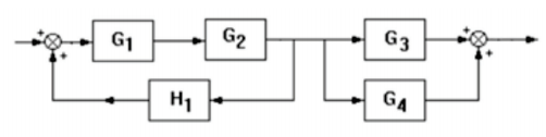
Considere o diagrama de blocos a seguir:
A função de transferência simplificada é:
!$ \dfrac{\left(G_3+G_4\right)G_2G_1}{1-G_2G_1H_1} !$
!$ \dfrac{\left(G_3+G_1\right)G_3G_4}{1-\ G_4G_4H_1} !$
!$ \dfrac{\left(G_3+G_4\right)G_2G_1}{1+G_2G_1} !$
!$ \dfrac{\left(G_3+G_4\right)G_2G_1}{1+G_2G_1H_1} !$
!$ \dfrac{\left(G_3+G_4\right)G_2}{1-G_2G_1H_1} !$
Olá, para continuar, precisamos criar uma conta! É rápido e grátis.