Magna Concursos
Questões
Planos
Entrar
Entrar
Criar Conta
Respondida
1035589
Ano:
2016
Disciplina:
Eletroeletrônica
Banca:
CESPE / CEBRASPE
Orgão:
Polícia Científica-PE
Provas:
Perito Criminal - Engenharia Elétrica
Provas
×
Eletrotécnica
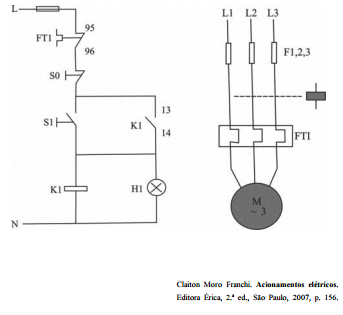
Com base nas figuras apresentadas, que representam diagramas de comando e de força para acionamento de um motor de indução trifásico, assinale a opção correta.
A
Uma lâmpada de sinalização está ligada em paralelo com o contactor 13/14 K1.
B
O esquema de proteção do motor não tem relé térmico, apropriado para proteção contra sobrecarga no motor.
C
O botão de impulso S1 é utilizado para desligar o motor em caso de falha do selo do contactor K1.
D
Se as bobinas do motor estiverem ligadas em triângulo, a magnitude da tensão de alimentação de uma dessas bobinas será igual à magnitude da tensão que alimenta o circuito de comando do motor.
E
O esquema de partida do motor utiliza chave estrela-triângulo.
Resolver
Comentários
0
×
Cadernos
×
Flashcards
×
Estatísticas
×
Reportar um erro
×
Provas
Questão presente nas seguintes provas
Perito Criminal - Engenharia Elétrica
100 Questões
Resolver Prova
Publicar
Responder
Qual o problema da questão?
Selecione uma opção
Questão Desatualizada
Questão Repetida
Gabarito Errado
Outros Motivos
Mensagem
Enviar
Acessar
Criar Conta
Acesse sua Conta
Google
Facebook
Esqueci minha senha
Acessar
Ainda não tem conta?
Crie uma
!
Crie uma Conta
Criar Conta
Olá, para continuar, precisamos criar uma conta!
É
rápido
e
grátis
.
Google
Facebook
Concordo com os
Termos de Uso
Criar
Já tem uma conta?
Acesse aqui