
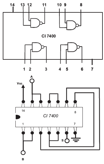
O circuito integrado CI 7400, interligado de acordo com a forma mostrada na figura acima, tem, como entradas, as variáveis A e B e, como saída, a variável S. Ele está sendo usado para implementar uma porta do tipo:

O circuito integrado CI 7400, interligado de acordo com a forma mostrada na figura acima, tem, como entradas, as variáveis A e B e, como saída, a variável S. Ele está sendo usado para implementar uma porta do tipo: