Magna Concursos
528782 Ano: 2008
Disciplina: Eletroeletrônica
Banca: CESPE / CEBRASPE
Orgão: INPE
Provas:
Enunciado 528782-1
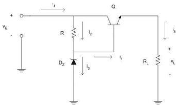
Uma fonte de alimentação DC convencional (não chaveada), alimentada pela rede AC (ou CA), geralmente possui como elementos funcionais: transformador, retificador, filtro e regulador de tensão. Considerando a figura acima, que apresenta o circuito de um regulador de tensão simples, no qual se utiliza transistor bipolar de junção, julgue os itens de 53 a 57

Para qualquer magnitude de tensão reversa, o diodo zener DZ permite que corrente convencional significativa flua entre seus terminais, do catodo para o anodo.
 

Provas

Questão presente nas seguintes provas

Técnico do INPE - TM05

100 Questões