- EletrotécnicaCircuitos Elétricos em Eletricidade
- EletrotécnicaCircuitos de Corrente Contínua e de Corrente Alternada
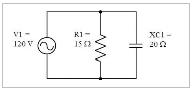
Com base no circuito abaixo, assinale a alternativa que apresenta, respectivamente, as potências ativa, reativa e aparente, sendo a tensão aplicada igual a 120 V (valor eficaz), a resistência igual a 15 Ω e o módulo da reatância capacitiva igual a 20 Ω.
Provas
Questão presente nas seguintes provas