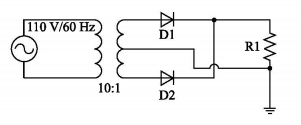
Considere o seguinte diagrama elétrico para responder às questões de números 28 e 29.

Para que o circuito elétrico opere adequadamente e haja redução do ripple, tipicamente é adicionado um
Provas
Questão presente nas seguintes provas
Considere o seguinte diagrama elétrico para responder às questões de números 28 e 29.

Para que o circuito elétrico opere adequadamente e haja redução do ripple, tipicamente é adicionado um