Magna Concursos
3854123 Ano: 2025
Disciplina: Eletroeletrônica
Banca: FUNCERN
Orgão: IF-PE
Provas:
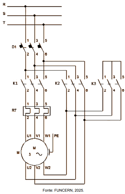
Pretende-se utilizar uma chave de partida estrela triângulo (Y - Δ) para o acionamento de um motor elétrico trifásico com rotor em gaiola de esquilo. A figura apresenta o diagrama de força de uma chave (Y - Δ) aplicado a um motor trifásico de 5 CV. Considere que esse motor de seis terminais tem um fechamento em triângulo para 380 V, seu fator de potência cosϕ = 0,85, rendimento η = 0,87%, trabalhando em regime constante com fator de serviço (FS = 1,15) e razão da corrente de partida pela corrente nominal (Ip/In) = 9.


Enunciado 4835330-1


Em relação a esse sistema, é correto afirmar:
 

Provas

Questão presente nas seguintes provas

Engenheiro Eletricista

50 Questões