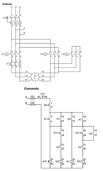
São apresentados a seguir os diagramas de
potência e comando de um motor de indução trifásico.
Ao acionar a botoeira S1, o motor é ligado. Analisando os diagramas de potência e comando, é possível verificar que essa lógica de comando produz
Ao acionar a botoeira S1, o motor é ligado. Analisando os diagramas de potência e comando, é possível verificar que essa lógica de comando produz
Provas
Questão presente nas seguintes provas