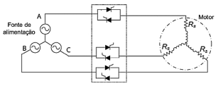
A questão faze referência a figura abaixo:

Adaptado de Berger, Lars Torsten; Redes elétricas inteligentes / Lars Torsten Berger, Krzysztof Iniewski ; - 1. ed. - Rio de Janeiro : LTC, 2015.
1. Os semicondutores mostrados na figura são transistores do tipo IGBT.
2. Este tipo de acionamento é limitado para aplicações com motores de 5 CV devido à limitação de corrente do semicondutor.
3. Tanto a fonte de alimentação quanto o motor estão com uma conexão em estrela.
4. Devido à utilização de um retificador, o motor deve ser de corrente contínua.
Assinale a alternativa que indica todas as afirmativas corretas.