Magna Concursos
4035226 Ano: 2026
Disciplina: Eletroeletrônica
Banca: VUNESP
Orgão: SAAEB
Provas:

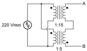
Considere a associação de transformadores apresentada na figura a seguir:

Enunciado 4515150-1

A tensão entre os pontos A e B é igual a

 

Provas

Questão presente nas seguintes provas

Eletricista

40 Questões